TOP
產品描述
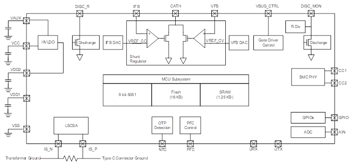
SNPD1740系列是高度集成的USB Type-C端口控制器,符合最新的USB Type-C和Power Delivery(PD)標準。 SNPD1740系列採用SONiX專有的8051技術,內部為8位元的8051處理器、與16
KB內存快閃記憶體編程存儲器,完整的Type-C USB-PD收發器,且整合回授控制電路於輸出電壓(VBUS)調節, 以及Type-C端口所需的所有終端電阻。 SNPD1740系列具有多個I
/ O阜口可提供使用,且具有高度整合的BOM和ESD保護於系統上的應用。SNPD1740系列是非常適合電源適配器應用。
-
Data Sheet
-
Software Tools
-
Development Tools