TOP
產品描述
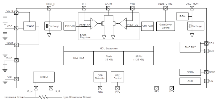
SNPD1740系列是高度集成的USB Type-C端口控制器,符合最新的USB Type-C和Power Delivery(PD)标准。 SNPD1740系列采用SONiX专有的8051技术,内部为8位的8051处理器、与16
KB内存闪存编程存储器,完整的Type-C USB-PD收发器,且整合回授控制电路于输出电压(VBUS)调节, 以及Type-C端口所需的所有终端电阻。 SNPD1740系列具有多个I
/ O阜口可提供使用,且具有高度整合的BOM和ESD保护于系统上的应用。SNPD1740系列是非常适合电源适配器应用。
-
Data Sheet
-
Software Tools
-
Development Tools